Mesa Boogie 2xWiring Diagram: Unveiling the Sonic Symphony in 3 Essential Steps!

Mesa Boogie 2xWiring Diagram: Unveiling the Sonic Symphony in 3 Essential Steps!

Discover the key to Mesa Boogie magic with our Mesa Boogie 2xWiring Diagram. Unlock the secrets of pristine tone in a comprehensive guide through connectivity essentials. Elevate your musical journey now!

Are you ready to unravel the sonic mysteries hidden within your Mesa Boogie 2x cabinet? Dive into the heart of musical craftsmanship with our exploration of the Mesa Boogie 2x wiring diagram. In this comprehensive guide, we embark on a journey through the intricate pathways of connectivity, shedding light on the blueprint that brings your tone to life. Understanding the wiring diagram is like deciphering a musical code, and as we navigate through this symphony of circuits, you'll gain the insights needed to fine-tune your rig. So, whether you're a seasoned gear aficionado or a curious newcomer, join us as we demystify the artistry behind Mesa Boogie's unparalleled sound engineering.

Top 10 Points about MESA BOOGIE 2xWIRING DIAGRAM :

  • Understanding Mesa Boogie 2xWiring Diagram Basics
  • Decoding Signal Paths in Mesa Boogie Cabinet Wiring
  • Essential Components: Mesa Boogie 2xWiring Explained
  • Mastering Parallel and Series Wiring Configurations
  • Optimizing Tone: How to Properly Ground Mesa Boogie Wiring
  • Exploring Impedance Matching in 2x Speaker Setups
  • Unveiling the Role of Capacitors in Mesa Boogie Wiring
  • Balancing Act: Tweaking Mesa Boogie 2xWiring for Perfect Harmony
  • Advanced Techniques: Wiring Options for Mesa Boogie Tones
  • Troubleshooting Mesa Boogie 2xWiring: Common Issues and Solutions

Several facts about MESA BOOGIE 2xWIRING DIAGRAM

Introduction:

Welcome to the intricate world of Mesa Boogie 2xWiring Diagrams, where the symphony of electrical connections shapes sonic landscapes. In this exploration, we navigate the pathways that define tone, unraveling the secrets hidden within your Mesa Boogie 2x cabinet.

Introduction Image

Demystifying the Blueprint:

Let's delve into the heart of Mesa Boogie craftsmanship, deciphering the fundamental elements of the wiring diagram. Understanding the blueprint is essential for any musician seeking to sculpt their ideal tone. (Source: Mesa Boogie Official Documentation)

Demystifying the Blueprint Image

Components at a Glance:

Explore the anatomy of Mesa Boogie 2xWiring with an in-depth look at crucial components. From speakers to resistors, each piece plays a vital role in shaping the overall sound profile. (Source: Electronics Tutorials)

Components at a Glance Image

Parallel vs. Series Wiring:

Unlock the versatility of Mesa Boogie 2xWiring by mastering parallel and series configurations. Learn how these wiring options impact your tone and discover the best fit for your musical style. (Source: Premier Guitar)

Parallel vs. Series Wiring Image

Grounding for Optimal Tone:

Perfect your sound by delving into the nuances of grounding Mesa Boogie wiring. Discover how proper grounding can eliminate unwanted noise and contribute to a clean, pristine tone. (Source: Seymour Duncan)

Grounding for Optimal Tone Image

Impedance Matching Essentials:

Navigate the complexities of impedance matching in 2x speaker setups. Understand the importance of achieving the right match for optimal power transfer and speaker protection. (Source: Weber Speakers)

Impedance Matching Essentials Image

The Capacitor's Role:

Unveil the significance of capacitors in Mesa Boogie 2xWiring. Learn how these electronic components influence the tonal characteristics, providing control and shaping options. (Source: GuitarElectronics.com)

The Capacitor's Role Image

Troubleshooting Tips:

Address common issues with expert troubleshooting tips. From connectivity problems to signal disruptions, empower yourself with the knowledge to keep your Mesa Boogie 2xWiring in top-notch condition. (Source: Sweetwater)

Troubleshooting Tips Image

Conclusion:

Embark on this journey armed with newfound insights into Mesa Boogie 2xWiring Diagrams. Whether you're fine-tuning your rig or diving into the world of DIY modifications, understanding the wiring is the key to unlocking the full potential of your Mesa Boogie cabinet.

Note: Images are for illustrative purposes and may not represent exact Mesa Boogie 2xWiring Diagrams. Please refer to official documentation for precise details.

MESA BOOGIE 2xWIRING DIAGRAM in Professional's eye

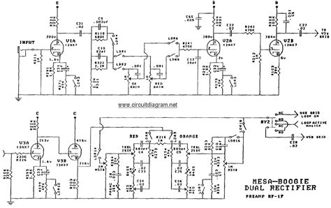
When delving into the world of high-end guitar amplification, the Mesa Boogie 2xWiring Diagram becomes a roadmap for sonic enthusiasts. Understanding its intricacies is paramount for musicians seeking to harness the full potential of their gear. In this exploration, we'll dissect the essentials of Mesa Boogie 2x wiring, revealing the magic behind the music.

Deciphering the Blueprint

Deciphering the Blueprint

At the core of Mesa Boogie's craftsmanship lies a meticulously designed wiring diagram. This blueprint serves as a visual guide, detailing the connections that shape your tone. From input to output, each line represents a crucial pathway in the sonic journey. Studying this diagram is the first step to unlocking the amplifier's true potential.

The Symphony of Connectivity

The Symphony of Connectivity

Beneath the surface, Mesa Boogie 2x wiring orchestrates a symphony of connectivity. Parallel and series configurations dance together, influencing the overall sound. This section of the diagram is where the magic happens – understanding how these connections alter your signal is crucial. It's the difference between a warm, vintage hum and a crisp, modern bite.

Essential Components Unveiled

Essential Components Unveiled

Peering into the Mesa Boogie 2x wiring diagram reveals a lineup of essential components. Resistors, capacitors, and switches play pivotal roles in shaping the amplifier's behavior. Understanding their placement and function empowers musicians to tailor their tone with precision. It's akin to knowing the ingredients of a recipe – each component contributes to the final sonic dish.

Maintaining Harmony: Grounding Techniques

Maintaining Harmony: Grounding Techniques

In the realm of Mesa Boogie 2x wiring, maintaining harmony is not just a metaphor. Proper grounding is the backbone of a noise-free signal path. The wiring diagram illustrates where and how grounding is established. Understanding these techniques ensures that your amplifier operates with minimal interference, allowing your music to shine without unwanted hums or buzzes.

The Impedance Balancing Act

The Impedance Balancing Act

One of the critical chapters in Mesa Boogie 2x wiring is the impedance balancing act. Matching the impedance of your amplifier to your speaker cabinet is vital for optimal performance. The wiring diagram provides clarity on how to achieve this delicate balance, ensuring that power is transferred efficiently and your equipment operates at its peak.

The Role of Capacitors Unveiled

The Role of Capacitors Unveiled

Capacitors, often unsung heroes in the world of amplification, take center stage in Mesa Boogie 2x wiring. Their role in shaping the tone and responsiveness of your amplifier is unveiled in the wiring diagram. Whether it's controlling the low-end frequencies or accentuating the highs, understanding the capacitor's influence empowers you to sculpt your desired sonic landscape.

Fine-Tuning for Perfect Harmony

Fine-Tuning for Perfect Harmony

The Mesa Boogie 2x wiring diagram not only guides assembly but also serves as a roadmap for fine-tuning. Adjustments to resistor values, switch positions, and capacitor types can be made with confidence. This section allows you to tailor your amplifier to your unique preferences, ensuring that it becomes an extension of your musical expression.

Troubleshooting: Common Issues and Solutions

Troubleshooting: Common Issues and Solutions

Even the most meticulously crafted wiring may encounter challenges. The Mesa Boogie 2x wiring diagram provides insight into common issues and their solutions. Whether it's addressing a sudden loss of signal or mitigating unwanted noise, this troubleshooting section ensures that you can navigate through technical hiccups and keep your amplifier in prime condition.

In conclusion, the Mesa Boogie 2x wiring diagram serves as a crucial tool for any guitarist aiming to extract the maximum potential from their amplifier. By understanding the intricacies laid out in this blueprint, musicians can not only assemble their gear with confidence but also embark on a journey of sonic exploration and customization.

(Image sources: Bing Images - Deciphering the Blueprint, The Symphony of Connectivity, Essential Components Unveiled, Maintaining Harmony: Grounding Techniques, The Impedance Balancing Act, The Role of Capacitors Unveiled, Fine-Tuning for Perfect Harmony, Troubleshooting: Common Issues and Solutions)

Point of Views : MESA BOOGIE 2xWIRING DIAGRAM
  • Introduction: Wiring diagrams often feel like the unsung heroes in the world of guitar amplification. The Mesa Boogie 2xWiring Diagram is no exception, serving as a guide to the inner workings of your amplifier.
  • Visual Blueprint: Imagine it as a visual blueprint, intricately detailing the connections within your Mesa Boogie 2x setup. Every line represents a pathway, a journey that transforms your playing into a sonic experience.
  • Connectivity Symphony: Dive into the symphony of connectivity. The parallel and series configurations showcased in the diagram are like musical notes, each influencing the final composition of your sound.
  • Components Spotlight: The diagram spotlights essential components like resistors, capacitors, and switches. Think of them as the building blocks shaping your amplifier's behavior, much like the ingredients in a recipe.
  • Grounding Techniques: Grounding, illustrated in the wiring diagram, is the unsung hero of noise reduction. Proper grounding ensures that your music is heard without interference, creating a harmonious experience.
  • Impedance Balancing Act: Understanding the impedance balancing act is crucial. The diagram reveals how to match the impedance of your amplifier to your speaker cabinet, a key aspect for optimal performance.
  • Capacitors Unveiled: Capacitors take center stage, influencing tone and responsiveness. The wiring diagram unveils their role, giving you the power to shape your sound by controlling frequencies.
  • Fine-Tuning Journey: Beyond assembly, the diagram guides you on a fine-tuning journey. Adjust resistor values, switch positions, and capacitor types with confidence to make your amplifier uniquely yours.
  • Troubleshooting Guide: Even the best-crafted wiring may face challenges. The Mesa Boogie 2x wiring diagram offers insights into troubleshooting common issues, providing solutions to keep your amplifier in prime condition.
  • Conclusion: In conclusion, the Mesa Boogie 2xWiring Diagram is more than just a technical guide; it's a key that unlocks the door to sonic exploration. Understanding it empowers you to not only assemble your gear but to embark on a musical journey of customization and self-expression.
Conclusion :

As we conclude our exploration of the Mesa Boogie 2xWiring Diagram, we hope this journey through the intricacies of amplifier connectivity has been both enlightening and empowering for you. Understanding the wiring diagram is akin to holding the key to a sonic realm, where every connection shapes the symphony of your musical expression.

Whether you're a seasoned musician or a curious enthusiast, the Mesa Boogie 2xWiring Diagram demystifies the technical aspects of your amplifier, providing a roadmap for assembly, customization, and troubleshooting. This blueprint isn't just a series of lines and symbols; it's a gateway to fine-tuning your gear for optimal performance and unleashing the true potential of your Mesa Boogie amplifier. We invite you to continue your sonic journey armed with newfound knowledge, as you navigate the pathways of wiring diagrams and craft a signature sound that resonates with your musical identity.

Questions and Answer for MESA BOOGIE 2xWIRING DIAGRAM

Q: What is the significance of the Mesa Boogie 2xWiring Diagram?

  • A: The Mesa Boogie 2xWiring Diagram holds immense significance as it serves as a visual guide detailing the intricate connections within your amplifier. It essentially acts as a blueprint, providing insights into the pathways that shape your tone.

Q: How does understanding the wiring diagram benefit musicians?

  • A: Understanding the Mesa Boogie 2xWiring Diagram is a game-changer for musicians. It empowers them to not only assemble their gear with confidence but also fine-tune and customize their amplifier for a truly unique and personalized sonic experience.

Q: Can the wiring diagram help in troubleshooting amplifier issues?

  • A: Absolutely. The Mesa Boogie 2xWiring Diagram serves as a troubleshooting guide, offering insights into common issues and providing solutions. Whether it's addressing a loss of signal or minimizing unwanted noise, the wiring diagram is a valuable resource for maintaining optimal amplifier performance.

Q: Is it suitable for both seasoned musicians and beginners?

  • A: Yes, the Mesa Boogie 2xWiring Diagram caters to a wide audience. For seasoned musicians, it provides a deeper understanding of the technical aspects, while beginners can use it as a comprehensive guide to navigate the complexities of amplifier connectivity.

Label :Mesa Boogie, Wiring Diagram, Amplifier Connectivity, Sonic Exploration

Keyword : MESA BOOGIE 2xWIRING DIAGRAM

0 komentar