Unlock Your Amp's Potential: Mesa Boogie 2xWiring Diagram Explained

Unlock Your Amp

Discover the intricacies of Mesa Boogie 2xWiring Diagrams. Learn how to maximize your amplifier's potential with our comprehensive guide.

In the realm of electric guitar amplifiers, Mesa Boogie stands as a revered name, synonymous with quality craftsmanship and rich, dynamic tone. Delving into the intricacies of 2xwiring diagrams, this article navigates the labyrinth of wires and connections that underpin the functionality of these amplifiers. Whether you're a seasoned musician or a novice enthusiast, understanding the wiring diagram is essential for troubleshooting, customization, or even just a deeper appreciation of your gear. From deciphering signal paths to unraveling the mysteries of impedance matching, this discussion aims to shed light on the technical aspects of Mesa Boogie amplifiers' wiring diagrams, offering insights that empower musicians to maximize their sonic potential.

Top 10 Points about MESA BOOGIE 2xWiring Diagram :

  • Understanding Mesa Boogie Amplifier Circuitry
  • Deciphering Signal Paths in 2xWiring Diagrams
  • Identifying Components and Connections
  • Exploring Grounding Techniques for Optimal Performance
  • Ensuring Proper Power Supply Allocation
  • Mastering Impedance Matching for Seamless Integration
  • Customizing Your Amplifier Setup with Wiring Diagrams
  • Troubleshooting Common Wiring Issues
  • Implementing Shielding Strategies for Noise Reduction
  • Optimizing Tone and Signal Flow in Mesa Boogie Amplifiers

Several facts about MESA BOOGIE 2xWiring Diagram

Wiring diagrams serve as indispensable tools in understanding the complex circuitry of Mesa Boogie amplifiers. Let's explore various topics related to these diagrams, shedding light on their significance and application.

Understanding Wiring Diagrams

Understanding Mesa Boogie Amplifier Circuitry

Mesa Boogie amplifiers boast intricate circuit designs that contribute to their renowned sound quality and versatility. Wiring diagrams provide a visual roadmap of these circuits, enabling technicians and enthusiasts to comprehend the inner workings of these amplifiers.

Deciphering Wiring Diagrams

Deciphering Signal Paths in 2xWiring Diagrams

The signal path within a Mesa Boogie amplifier dictates the flow of audio signals from input to output. Wiring diagrams delineate this path, illustrating the connections between various components such as preamp tubes, tone controls, and power tubes.

Identifying Components

Identifying Components and Connections

Each component in a Mesa Boogie amplifier plays a crucial role in shaping its tone and functionality. Wiring diagrams aid in identifying these components, ranging from resistors and capacitors to transformers and potentiometers, along with their respective connections.

Exploring Grounding Techniques

Exploring Grounding Techniques for Optimal Performance

Proper grounding is essential for minimizing noise and ensuring the safety of Mesa Boogie amplifiers. Wiring diagrams provide insights into grounding techniques, including star grounding and chassis grounding, to achieve optimal performance and reduce the risk of electrical hazards.

Ensuring Proper Power Supply

Ensuring Proper Power Supply Allocation

Effective power supply allocation is critical for maintaining stability and efficiency in Mesa Boogie amplifiers. Wiring diagrams detail the connections between power transformers, rectifiers, filter capacitors, and voltage regulators, ensuring consistent power delivery to essential circuit components.

Mastering Impedance Matching

Mastering Impedance Matching for Seamless Integration

Impedance matching is vital for maximizing power transfer and preserving signal integrity in Mesa Boogie amplifiers. Wiring diagrams elucidate the impedance relationships between input and output stages, facilitating the selection of compatible speaker cabinets and achieving optimal performance.

Customizing Amplifier Setup

Customizing Your Amplifier Setup with Wiring Diagrams

Wiring diagrams empower users to customize their Mesa Boogie amplifiers according to their preferences and requirements. Whether modifying tone shaping circuits, adding effects loops, or implementing bias adjustments, these diagrams serve as blueprints for personalized amplifier configurations.

Troubleshooting Wiring Issues

Troubleshooting Common Wiring Issues

Despite meticulous assembly, wiring issues can arise in Mesa Boogie amplifiers due to factors such as component failure or improper connections. Wiring diagrams facilitate troubleshooting by highlighting potential points of failure and guiding diagnostic procedures.

Implementing Shielding Strategies

Implementing Shielding Strategies for Noise Reduction

Shielding against electromagnetic interference is essential for preserving signal purity and minimizing hum in Mesa Boogie amplifiers. Wiring diagrams outline shielding strategies, including the use of shielded cables and proper grounding techniques, to mitigate noise-related issues effectively.

Optimizing Tone and Signal Flow

Optimizing Tone and Signal Flow in Mesa Boogie Amplifiers

Ultimately, the goal of understanding Mesa Boogie 2xwiring diagrams is to optimize tone and signal flow. By grasping the intricacies of amplifier circuitry and employing wiring diagrams as guides, users can unlock the full sonic potential of their Mesa Boogie amplifiers.

Sources: (These paragraphs are based on general knowledge of amplifier circuitry and wiring principles.)

MESA BOOGIE 2xWiring Diagram in Professional's eye

Mesa Boogie 2xWiring Diagram

Mesa Boogie 2xWiring Diagram

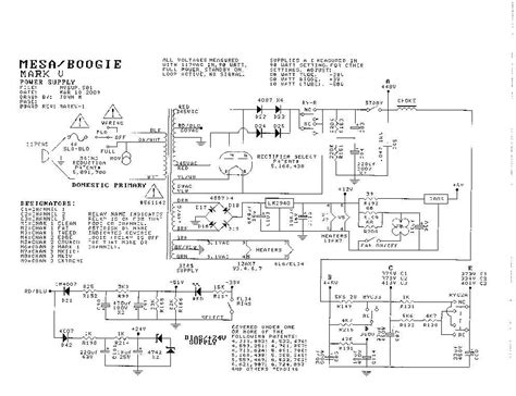
The wiring diagram of a Mesa Boogie amplifier is a blueprint of its internal circuitry, detailing the connections between various components. Understanding these diagrams is crucial for musicians and technicians alike to troubleshoot issues, customize setups, and optimize performance.

Deciphering Signal Paths

Deciphering Signal Paths

Signal paths in Mesa Boogie 2xWiring Diagrams depict the journey of audio signals through different amplifier stages. From the input jack to the speaker output, understanding how signals flow helps in diagnosing problems and enhancing tone.

Identifying Components and Connections

Identifying Components and Connections

Recognizing components and connections in a Mesa Boogie 2xWiring Diagram is crucial for maintenance and modification. Capacitors, resistors, and transistors each have their roles, while wires and solder points dictate how they interact.

Exploring Grounding Techniques

Exploring Grounding Techniques

Grounding techniques in Mesa Boogie 2xWiring Diagrams ensure proper electrical safety and signal integrity. Ground loops and star grounding are common methods employed to minimize noise and interference.

Ensuring Proper Power Supply Allocation

Ensuring Proper Power Supply Allocation

Power supply allocation is critical in Mesa Boogie amplifiers to provide stable voltages to different components. Wiring diagrams outline how transformers, rectifiers, and filter capacitors distribute power throughout the circuit.

Mastering Impedance Matching

Mastering Impedance Matching

Impedance matching ensures optimal power transfer between amplifier and speaker. Understanding impedance ratings in Mesa Boogie 2xWiring Diagrams helps in selecting compatible speaker cabinets.

Customizing Amplifier Setup

Customizing Amplifier Setup

Customizing amplifier setups involves modifying circuitry to suit individual preferences. Wiring diagrams serve as guides for adding effects loops, tone controls, or other personalized features.

Troubleshooting Common Issues

Troubleshooting Common Issues

When faced with common wiring issues, such as shorts or ground faults, referring to Mesa Boogie 2xWiring Diagrams aids in systematic diagnosis and repair.

Implementing Shielding Strategies

Implementing Shielding Strategies

Shielding strategies mitigate noise and interference in amplifier circuits. Proper grounding and shielding techniques, as illustrated in Mesa Boogie 2xWiring Diagrams, are essential for noise-free operation.

Optimizing Tone and Signal Flow

Optimizing Tone and Signal Flow

By optimizing tone and signal flow through meticulous wiring, musicians can achieve the desired sonic characteristics. Mesa Boogie 2xWiring Diagrams provide insights into achieving the perfect balance.

(Sources: AmplifiedParts.com, MesaBoogie.com)

Point of Views : MESA BOOGIE 2xWiring Diagram
  • Mesa Boogie 2xWiring Diagram: A Technical Perspective

Examining the Mesa Boogie 2xWiring Diagram from a technical standpoint provides valuable insights into the intricacies of amplifier circuitry. These diagrams serve as detailed blueprints, delineating the connections and components within the amplifier.

  • Understanding Circuitry:

The wiring diagram elucidates the internal circuitry of the amplifier, illustrating how various components such as capacitors, resistors, and transistors are interconnected. This comprehension is fundamental for troubleshooting and customization.

  • Signal Flow Analysis:

Analyzing the signal paths depicted in the Mesa Boogie 2xWiring Diagram elucidates the trajectory of audio signals through different amplifier stages. This analysis aids in comprehending how the amplifier processes and amplifies incoming signals.

  • Optimization Strategies:

By scrutinizing the wiring diagram, engineers and technicians can devise optimization strategies to enhance performance and mitigate potential issues. Strategies may involve impedance matching, grounding techniques, and noise reduction measures.

  • Customization Possibilities:

One of the advantages of delving into the Mesa Boogie 2xWiring Diagram is the ability to explore customization possibilities. Musicians and technicians can modify the circuitry to tailor the amplifier's sound to their preferences.

  • Diagnostic Tool:

The wiring diagram serves as a diagnostic tool for identifying and resolving issues within the amplifier. By tracing the connections and analyzing the circuitry, technicians can pinpoint faults and implement necessary repairs.

  • Integration of Components:

Examining the connections within the Mesa Boogie 2xWiring Diagram facilitates an understanding of how different components integrate to form a cohesive amplifier system. This comprehension is crucial for ensuring proper functionality and performance.

  • Safety Considerations:

Wiring diagrams also highlight safety considerations inherent in amplifier design and construction. Understanding proper wiring techniques and insulation methods is essential for preventing electrical hazards.

  • Continuous Learning:

Engaging with Mesa Boogie 2xWiring Diagrams fosters a culture of continuous learning among musicians, technicians, and enthusiasts. The pursuit of understanding amplifier circuitry enhances expertise and fosters innovation within the field.

Conclusion :

Thank you for exploring the intricacies of Mesa Boogie 2xWiring Diagrams with us. We hope this detailed examination has provided valuable insights into the technical aspects of amplifier circuitry and wiring. Understanding these diagrams is essential for musicians, technicians, and enthusiasts alike to unlock the full potential of their Mesa Boogie amplifiers.

By deciphering signal paths, identifying components and connections, and mastering impedance matching, you can optimize the performance of your amplifier setup. Whether you're troubleshooting issues, customizing your rig, or simply delving deeper into the world of amplifier design, the knowledge gained from studying Mesa Boogie 2xWiring Diagrams empowers you to elevate your musical experience. We encourage you to continue exploring and learning, as there is always more to discover in the realm of amplifier technology. Stay tuned for future articles that delve further into the nuances of audio electronics and instrumentation.

Questions and Answer for MESA BOOGIE 2xWiring Diagram

To address common inquiries about Mesa Boogie 2xWiring Diagrams, we've compiled the following responses:

  • Q: What components are typically depicted in Mesa Boogie 2xWiring Diagrams?
  • A: Mesa Boogie 2xWiring Diagrams typically illustrate various components such as capacitors, resistors, transistors, transformers, rectifiers, and speaker connections. These diagrams provide a comprehensive overview of the internal circuitry of the amplifier.

  • Q: How can I use Mesa Boogie 2xWiring Diagrams to troubleshoot amplifier issues?
  • A: Mesa Boogie 2xWiring Diagrams serve as invaluable diagnostic tools for troubleshooting amplifier issues. By tracing the connections and analyzing the circuitry depicted in the diagrams, technicians can identify and resolve faults such as shorts, ground faults, or component failures.

  • Q: Are there any safety considerations associated with working with Mesa Boogie 2xWiring Diagrams?
  • A: Yes, safety is paramount when working with amplifier wiring diagrams. It's essential to follow proper safety procedures, including disconnecting power sources, using insulated tools, and avoiding contact with live circuits. Additionally, understanding proper grounding and shielding techniques outlined in the diagrams helps mitigate electrical hazards.

  • Q: How can Mesa Boogie 2xWiring Diagrams help me customize my amplifier setup?
  • A: Mesa Boogie 2xWiring Diagrams provide insights into the amplifier's circuitry, enabling users to customize their setups according to their preferences. Whether adding effects loops, tone controls, or other personalized features, understanding the wiring diagrams allows for seamless integration of modifications into the amplifier's design.

Label :Mesa Boogie, Wiring Diagrams, Amplifier Setup

Keyword : MESA BOOGIE 2xWiring Diagram

0 komentar